5.00 trên 5 dựa trên 2 đánh giá
(2 đánh giá của khách hàng)
“Vòi Sen Tắm AMERICAN STANDARD WF-0911 Milano nóng lạnh” đã được thêm vào giỏ hàng. Xem giỏ hàng
Vòi sen cây INAX BFV-60S nóng lạnh
| Mã sản phẩm | BFV-60S |
| Kiểu sen | Vòi sen cây |
| Chất liệu | Đồng mạ Crom, Niken |
| Bảo hành | 2 năm |
| Xuất xứ | Chính Hãng INAX |
[section class=”tailieudinhkem”]
[title text=”Tài liệu đính kèm”]
[/section]
18.540.000₫ Giá gốc là: 18.540.000₫.14.890.000₫Giá hiện tại là: 14.890.000₫.
Tính năng
Thông số và tính năng Vòi sen cây INAX BFV-60S nóng lạnh
- Mã sản phẩm: BFV-60S
- Mã tay sen:
- Mã bát sen:
- Thương hiệu: Thiết bị vệ sinh INAX
- Kiểu sen: sen tắm cây
- Bảo hành: điện tử 2 năm
Tính năng Vòi sen cây INAX BFV-60S nóng lạnh
- Thiết kế gọn gang, sang trọng
- Lõi trộn bằng sứ Ceramic bền bỉ với thời gian, đóng mở nhẹ nhàng, bền với nhiệt độ cao
- Thân củ trộn sen và cây sen bằng đồng nguyên chất không chứa Chì an toàn cho sức khoẻ
- Lớp mạ Crom/Niken dày gấp đôi bền bỉ, sáng bóng lâu dài
- Đầu xả sàn phun trộn bọt khí êm ái giúp tiết kiệm nước, hạn chế bắn
- Bát sen cây cỡ lớn, toả nước đều
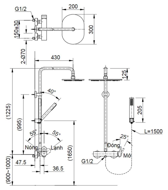
Bản vẽ kỹ thuật Vòi sen cây INAX BFV -60S nóng lạnh

Bản-vẽ-kỹ-thuật Vòi-sen-cây INAX-BFV -60S nóng lạnh









Hà Huy Tùng- NV (xác minh chủ tài khoản) –
máy dùng tốt
Lưu Hải Âu (xác minh chủ tài khoản) –
Rất hài lòng với sự lựa chọn này.