Vòi rửa bát MALLOCA MF-062 nóng lạnh
7.920.000₫ Giá gốc là: 7.920.000₫.6.336.000₫Giá hiện tại là: 6.336.000₫.
Vòi rửa bát BLANCO LINUS-S 565.68.650 nóng lạnh rút dây
12.790.000₫ Giá gốc là: 12.790.000₫.8.953.000₫Giá hiện tại là: 8.953.000₫.
“Vòi rửa bát CAESAR K036C nước lạnh gắn tường” đã được thêm vào giỏ hàng. Xem giỏ hàng
Vòi rửa bát BLANCO LINUS-S 565.68.350 nóng lạnh rút dây
SKU:
565.68.350
4.50 trên 5 dựa trên 2 đánh giá
(2 đánh giá của khách hàng)
| Mã sản phẩm | BLANCOLINUS-S 565.68.350 |
| Loại sản phẩm | Vòi nóng lạnh rút dây |
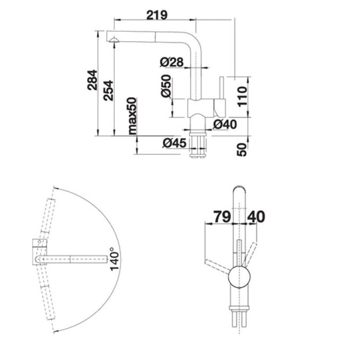
| Kích thước | 284 x 254 mm |
| Chất liệu | Đá tổng hợp SILGRANIT PuraDur II |
| Màu sắc | Màu đen Anthracite |
| Bảo hành | 24 tháng |
| Xuất sứ | Châu Âu |
| Thương Hiệu | BLANCO Hafele |
12.790.000₫ Giá gốc là: 12.790.000₫.8.953.000₫Giá hiện tại là: 8.953.000₫.
Description
Tính năng Vòi rửa bát BLANCO LINUS-S 565.68.350 nóng lạnh rút dây
- Thân vòi xoay 360 độ sử dụng linh hoạt
- Đầu vòi linh hoạt (dây rút)
- Đầu vòi tạo bọt nhập khẩu Châu Âu
- Lớp mạ bền vững, dễ vệ sinh
- Bộ chia nước (óc sen) có đĩa sứ cao cấp, độ bền lên đến 500.000 lần đóng mở
- Đã bao gồm dây cấp nước
- Thân & đầu bằng đồng mạ chrome, bộ chia nước Sedal, đầu lọc Neoperl
Thông số kỹ thuật Vòi rửa bát BLANCO LINUS-S 565.68.350 nóng lạnh rút dây
- Mã sản phẩm: LINUS-S 565.68.350
- Thương hiệu: BLANCO
- Bảo hành: 2 năm
- Vòi rửa bát có 2 đường nước nóng, lạnh.
- Kích thước thân vòi : 284mm
- Chiều cao từ mặt chậu đến đầu vòi: 254mm
- Chất liệu: Đá tổng hợp SILGRANIT PuraDur II
- Màu sắc : Màu đen Anthracite
- Phụ kiện : dây cấp
Bản vẽ kỹ thuật Vòi rửa bát BLANCO LINUS-S 565.68.350 nóng lạnh rút dây

Bản-vẽ-kích-thước-Vòi-rửa-bát-Blanco-Linus-s-565 68 350-Anthracite









Bùi Xuân Nam (xác minh chủ tài khoản) –
Sp sử dụng tốt
Phạm Duy (xác minh chủ tài khoản) –
Thực sự ấn tượng về hiệu suất.