Vòi sen tắm VIGLACERA VG542 nóng lạnh
4.820.000₫ Giá gốc là: 4.820.000₫.2.840.000₫Giá hiện tại là: 2.840.000₫.
Vòi lavabo VIGLACERA VG1028 VG1028.1 cảm ứng dùng pin
7.900.000₫ Giá gốc là: 7.900.000₫.4.580.000₫Giá hiện tại là: 4.580.000₫.
“Vòi lavabo AMERICAN STANDARD WF-0901 Milano nóng lạnh” đã được thêm vào giỏ hàng. Xem giỏ hàng
Vòi lavabo VIGLACERA VG1023 cảm ứng nóng lạnh dùng pin
SKU:
VG1023
4.50 trên 5 dựa trên 2 đánh giá
(2 đánh giá của khách hàng)
| Mã sản phẩm | VG1023 |
| Loại vòi | Vòi cảm ứng |
| Bảo hành | 3 năm |
| Xuất xứ | Chính Hãng VIGLACERA |
9.630.000₫ Giá gốc là: 9.630.000₫.5.520.000₫Giá hiện tại là: 5.520.000₫.
Description
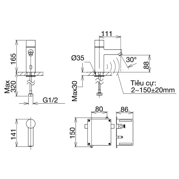
Thông số kĩ thuật Vòi lavabo VIGLACERA VG1023 cảm ứng nóng lạnh dùng pin
- Mã sản phẩm: VG1023
- Thương hiệu: Thiết bị vệ sinh VIGLACERA
- Kiểu vòi: Vòi 1 lỗ cảm ứng tự động xả
- Kích thước: đang cập nhật
- Nguồn điện: dùng pin AAA
- Kiểu xả: Xả nhấn/xả lật
- Lưu lượng nước: 3 lít/phút
- Bảo hành: 3 năm
Tính năng Vòi lavabo VIGLACERA VG1023 cảm ứng nóng lạnh dùng pin
- Vòi cảm ứng tự động giúp hạn chế tiếp xúc, phù hợp cho các phòng vệ sinh công cộng, giúp ngăn ngừa các bệnh lây truyền.
- Thiết kế gọn gàng và sang trọng, phản ánh sự tinh tế trong không gian phòng tắm.
- Thân vòi được làm từ đồng nguyên chất không chứa chì, đảm bảo an toàn cho sức khỏe người sử dụng.
- Bề mặt sáng bóng và dễ vệ sinh nhờ lớp mạ 2 lớp Niken và 1 lớp Crom nguyên chất.
- Đầu vòi nhập khẩu từ Germany, có khả năng chịu nhiệt độ cao lên đến 140 độ trong thời gian dài, kết hợp trộn bọt khí, tiết kiệm nước và hạn chế hiện tượng bắn nước mạnh mẽ.
Bản vẽ kỹ thuật Vòi lavabo VIGLACERA VG1023 cảm ứng nóng lạnh dùng pin
You may also like
AMERICAN STANDARD, Vòi lavabo, Vòi lavabo American Standard, Vòi lavabo cổ cao, Vòi lavabo nóng lạnh
4.5
Vòi lavabo AMERICAN STANDARD WF-3902 Active cổ cao nóng lạnh
AMERICAN STANDARD, Vòi lavabo, Vòi lavabo American Standard, Vòi lavabo cổ cao, Vòi lavabo nóng lạnh
4.5










Mai Xuân Khải (xác minh chủ tài khoản) –
Hiệu suất vượt trội, chất lượng tốt.
Nguyễn Quốc Huy (xác minh chủ tài khoản) –
Dùng ok cả nhà ơi