Chậu lavabo dương vành INAX L-2395V ( VEC/VFC )
1.330.000₫ Giá gốc là: 1.330.000₫.1.120.000₫Giá hiện tại là: 1.120.000₫.
Chậu lavabo treo tường INAX L-284V L-284VC chân lửng
1.480.000₫ Giá gốc là: 1.480.000₫.1.350.000₫Giá hiện tại là: 1.350.000₫.
“Chậu lavabo treo tường AMERICAN STANDARD VF-0947 VF-0741 Codie chân ngắn” đã được thêm vào giỏ hàng. Xem giỏ hàng
Chậu lavabo treo tường INAX L-282V L-284VD chân dài
SKU:
L-282V L-284VD
5.00 trên 5 dựa trên 2 đánh giá
(2 đánh giá của khách hàng)
| Mã sản phẩm | L-282V L-284VD |
| Kích thước | 400x410x184mm |
| Kiểu dáng | Lavabo treo tường |
| Màu sắc | Trắng |
| Bảo hành | Phần sứ 10 năm, phụ kiện 1 năm |
| Xuất xứ | Chính Hãng INAX |
1.350.000₫ Giá gốc là: 1.350.000₫.1.250.000₫Giá hiện tại là: 1.250.000₫.
Description
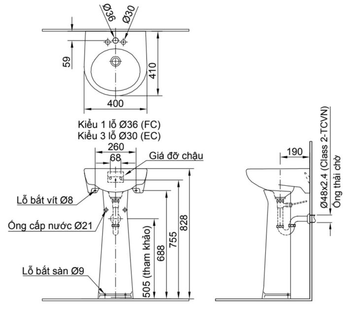
Thông số kĩ thuật chậu lavabo INAX L-282V L-284VD chân dài treo tường
- Mã sản phẩm: L-282V L-284VD trong đó L-282V (chậu) L-284VD (chân dài)
- L-282VEC: Chậu 3 lỗ dành cho vòi 1 cần gạt
- L-282VFC: Chậu 1 lỗ dành cho vòi 1 cần gạt
- Thương hiệu: Thiết bị vệ sinh INAX
- Xuất xứ: INAX Việt Nam
- Kiểu chậu: treo tường
- Kích thước: (dài x rộng x cao) 400x410x184mm
- Màu: trắng
- Bảo hành: 10 năm men sứ, 1 năm đối với phụ kiện
- Bao gồm: thân chậu, vít lở và gá treo, chân chậu
- Không bao gồm: vòi, siphon/bộ xả
- Gợi ý sản phẩm đi kèm: LFV-17 LFV-12A
Tính năng chậu lavabo INAX L-282V L-284VD chân dài treo tường
- chậu INAX độ bền cao, hạn chế nứt vỡ ăn mòn nhờ sử dụng chất liệu sứ vệ sinh cao cấp
- chậu đi kèm lỗ xả tràn tiện lợi khi sử dụng
- chậu dáng treo tường gọn gàng, tiết kiệm không gian hơn
- Đi kèm chân chậu giúp tăng tính thẩm mỹ và tăng sức chịu lực của chậu
Bản vẽ kĩ thuật chậu lavabo INAX L-282V L-284VC chân dài treo tường

Bản-vẽ-kĩ-thuật-Chậu-rửa-mặt-lavabo-INAX-L-282V-(EC-FC)-L-284VC-chân-dài-treo-tường
Video liên quan chậu lavabo treo tường INAX L-282V (EC/FC) L-284VD chân dài
You may also like
AMERICAN STANDARD, Chậu lavabo, Chậu lavabo American Standard, Chậu lavabo bán âm, Chậu lavabo đặt bàn
5.0









Trần Đức Trung (xác minh chủ tài khoản) –
Sp sử dụng tốt
Nguyễn Đức Minh (xác minh chủ tài khoản) –
Sản phẩm chất lượng, đáng giá tiền.