Chậu lavabo treo tường INAX L-280V
500.000₫ Giá gốc là: 500.000₫.450.000₫Giá hiện tại là: 450.000₫.
“Chậu lavabo đặt bàn AMERICAN STANDARD WP-F626 IDS Clear” đã được thêm vào giỏ hàng. Xem giỏ hàng
Chậu lavabo treo tường INAX L-282V (EC/FC)
SKU:
L-282V
5.00 trên 5 dựa trên 2 đánh giá
(2 đánh giá của khách hàng)
| Mã sản phẩm | L-282V |
| Kích thước | 429 x 410 x 184 mm |
| Kiểu dáng | Lavabo treo tường |
| Màu sắc | Trắng |
| Bảo hành | Phần sứ 10 năm, phụ kiện 1 năm |
| Xuất xứ | Chính Hãng INAX |
[section class=”tailieudinhkem”]
[title text=”Tài liệu đính kèm”]
[/section]
620.000₫ Giá gốc là: 620.000₫.570.000₫Giá hiện tại là: 570.000₫.
Description
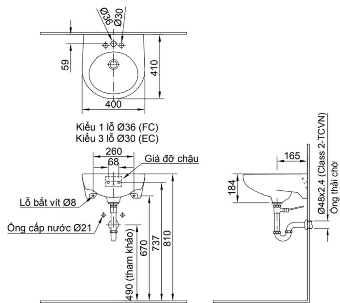
Thông số kĩ thuật chậu lavabo INAX L-282V (EC/FC) treo tường
- Mã sản phẩm: L-282V (chậu)
- L-282VEC: Chậu 3 lỗ dành cho vòi 1 cần gạt
- L-282VFC: Chậu 1 lỗ dành cho vòi 1 cần gạt
- Thương hiệu: Thiết bị vệ sinh INAX
- Xuất xứ: INAX Việt Nam
- Kiểu chậu: treo tường
- Kích thước: (dài x rộng x cao) 495x425x194mm
- Màu: trắng
- Bảo hành: 10 năm men sứ, 1 năm đối với phụ kiện
- Bao gồm: thân chậu, vít lở và gá treo
- Không bao gồm: vòi, siphon/bộ xả, chân chậu
- Gợi ý sản phẩm đi kèm: LFV-17 LFV-12A
Tính năng chậu lavabo INAX L-282V (EC/FC) treo tường
- Chất liệu sứ vệ sinh cao cấp: Chậu lavabo được sản xuất từ chất liệu sứ vệ sinh cao cấp, giúp hạn chế nứt vỡ và ăn mòn cao. Điều này đảm bảo độ bền và tuổi thọ cao cho sản phẩm, cung cấp một giải pháp lâu dài cho không gian phòng tắm của bạn.
- Tích hợp lỗ xã tràn tiện lợi: Chậu lavabo được tích hợp lỗ xã tràn, giúp thoát nước một cách tiện lợi và hiệu quả. Điều này giúp duy trì vệ sinh và sự tiện nghi trong quá trình sử dụng hàng ngày.
- Tiết kiệm diện tích và chi phí với kiểu dáng treo tường: Kiểu dáng treo tường của chậu lavabo INAX L 282V giúp tiết kiệm diện tích và chi phí so với các loại chậu lavabo truyền thống. Điều này phù hợp đặc biệt với các không gian phòng tắm có diện tích nhỏ, giúp tối ưu hóa không gian và tạo cảm giác rộng rãi hơn.
Bản vẽ kĩ thuật chậu lavabo INAX L 282V (EC/FC) treo tường

Bản vẽ kĩ thuật chậu lavabo INAX L 282V (EC FC) treo tường
Video liên quan chậu lavabo treo tường INAX L 282V (EC/FC)
You may also like
AMERICAN STANDARD, Chậu lavabo, Chậu lavabo American Standard, Chậu lavabo bán âm, Chậu lavabo đặt bàn
5.0









Ng. Đình Tuyến (xác minh chủ tài khoản) –
Sản phẩm chất lượng, giá cả hợp túi tiền.
Phạm Thế An (xác minh chủ tài khoản) –
Sp sử dụng tốt