4.50 trên 5 dựa trên 2 đánh giá
(2 đánh giá của khách hàng)
“Bồn cầu 1 khối AMERICAN STANDARD 2007-WT Acacia Evolution nắp êm” đã được thêm vào giỏ hàng. Xem giỏ hàng
Bồn cầu thông minh INAX AC-22P CW-H18VN treo tường nắp điện tử
| Mã sản phẩm | AC-22P CW-H18VN |
| Kích thước bồn cầu : | 640x365x366mm |
| Kích thước nắp | 536x472x173mm |
| Tâm thoát | 180mm (+-5) |
| Kiểu xả | Xả gạt 8.0L |
| Màu sắc | Trắng |
| Bảo hành | Phần sứ 10 năm, phụ kiện 2 năm |
| Xuất xứ | Chính Hãng INAX |
22.380.000₫ Giá gốc là: 22.380.000₫.16.695.000₫Giá hiện tại là: 16.695.000₫.
Bồn cầu thông minh INAX AC-22P CW-H18VN treo tường nắp điện tử bao gồm:
- AC-22P: thân bồn cầu treo tường
- CW-H18VN : nắp rửa điện tử
Đặc điểm và tính năng Thân bồn cầu treo tường INAX AC-22P CW-H18VN
- Mã sản phẩm: AC-22P CW-H18VN
- Thương hiệu: Thiết bị vệ sinh INAX
- Kích thước ( rộng x dài x cao ) : 640x365x366mm
- Kiểu xả: xả gạt 8L,thoát ngang
- Đường kính ống thải chờ : phi 110
- Tâm thoát: 180mm +-5
- Màu sản phẩm: trắng sứ
- Sản xuất tại: Việt Nam.
- Bảo hành: 10 năm phần sứ, 2 năm linh kiện khác.
- Thiết kế bồn cầu dạng treo tường hiện đại, tiết kiệm diện tích
- Tích hợp tay gạt xả thẳng tiện lợi, bền đẹp
- Công nghệ tráng men Aqua Ceramic siêu ưa nước, ngăn bám bẩn, ngăn đọng nước,.. Giúp bề mặt sứ trắng sạch lên tới 100 năm.

Đặc điểm và tính năng Nắp bồn cầu rửa điện tử INAX AC-22P CW-H18VN
- Kích thước: (dài x rộng x cao) 535x464x173mm
- Trọng lượng: 4kg
- Bảo hành: 12 tháng
- Phun rửa tự động
- Khử mùi: Hệ thống máy hút tích hợp màng lọc carbon hút và khử sạch mùi hôi trong phòng vệ sinh
- Khí ấm sấy khô: Khí ấm sấy khô nhanh sau khi phun rửa, mang lại sự sạch sẽ, tiện dụng mà không cần dùng tới giấy vệ sinh
- 2 vòi phun riêng biệt: 1 vòi phun rửa đại, 1 vòi phun rửa phụ nữ
- Đầu phun di chuyển: Diện tích phun rộng hơn với đầu vòi di chuyển tịnh tiến trong khi phun
- Phun rửa massage: liên tục thay đổi cường độ dòng phun từ mạnh tới nhẹ tạo hiệu ứng phun massage dễ chịu
- Tự vệ sinh đầu vòi: trước và sau khi hoạt động, đầu vòi sẽ được tự động rửa bằng nước nóng để đảm bảo vệ sinh trong suốt quá trình sử dụng
- Nozzle cover: 2 đầu phun được giữ sạch tuyệt đối khi không được sử dụng bằng cách đặt đầu phun sau tấm chắn
- Đầu vòi dễ dàng tháo rời: dễ dàng tháo đầu vòi mà không cần dụng cụ hỗ trợ, tiện lợi hơn khi vệ sinh hoặc thay thế.
- Nắp đóng êm: phòng tránh va đập mạnh dẫn tới nứt vỡ, tiếng ồn khó chịu bằng công nghệ nắp và bệ ngồi rơi êm
- Kháng khuẩn ag+: nắp và bệ ngồi được sản xuất bằng vật liệu có chứa iOn Ag+ kháng khuẩn, ngăn chặn sự phát triển của vi khuẩn
- Bệ ngồi sưởi ấm: 6 mức điều chỉnh nhiệt độ bệ ngồi
- Điều chỉnh nhiệt độ nước: 6 mức điều chỉnh nhiệt độ nước rửa
- Tiết kiệm năng lượng: Chứng chỉ tiết kiệm năng lượng điện và nước
- Rơ le nhiệt kiểm soát nhiệt độ nước: Rơ le nhiệt, cảm ứng từ kiểm soát nhiệt độ nước sẽ tự động ngắt điện khi phát hiện sự cố bất thường xảy ra
- Chống giật ELCB: tự động ngắt điện nếu phát hiện bất kì sự cố rò rỉ điện nào xảy ra.

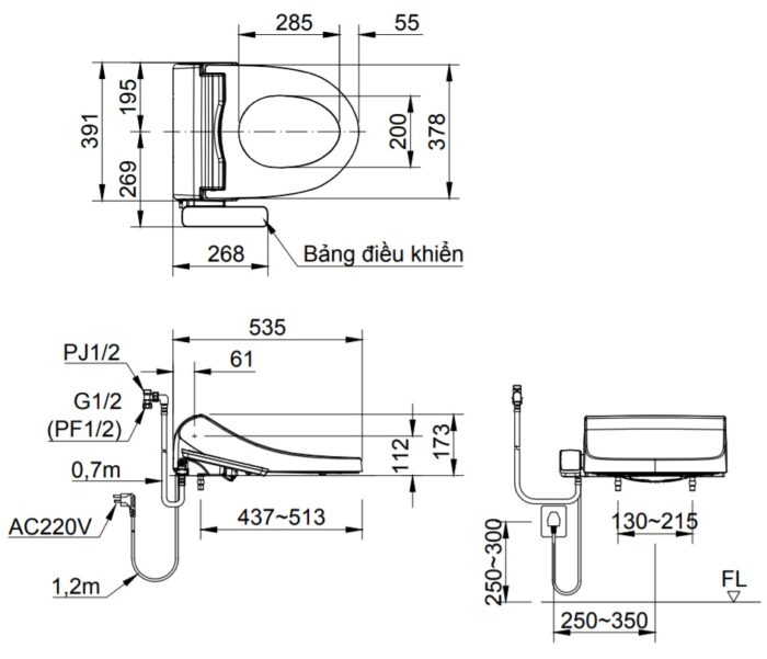
Bản vẽ Bồn cầu thông minh INAX AC-22P CW-H18VN treo tường nắp điện tử

Bản vẽ kĩ thuật Bồn cầu thông minh INAX AC-22P

Bản vẽ kỹ thuật Nắp bồn cầu rửa điện tử INAX CW-H18VN




























Đào Thảo (xác minh chủ tài khoản) –
Sản phẩm phục vụ tốt, mang lại lợi ích.
Trần Anh Thi (xác minh chủ tài khoản) –
Chất lượng ưu việt, đáng đầu tư.