Tính năng TOTO MS887W6 (MS887RW6) – Bồn cầu 1 khối nắp Rửa Điện Tử TCF6531Z
Tính năng TOTO MS885DE2 – Thân bồn cầu 1 khối
- Thiết kế hiện đại ,trang nhã và sang trọng.
- Nắp rửa điện tử TCF6531Z hiện đại
- CEFIONTECT: Bồn cầu được tráng men siêu mịn chống bám bẩn.
- RIMLESS: thiết kế bồn cầu vành kín không góc khuất
- TORNADO: xả xoáy 360 độ siêu sạch, giảm tiếng ồn.
- WATER-SAVING: Công nghệ xả siêu sạch và tiết kiệm nước.
Tính năng TOTO TCF6531Z (W6) – Nắp bồn cầu điện tử
- 1 vòi rửa nước ấm 2 chế độ rửa trước và sau
- Vòi rửa có chế độ massage.
- Đầu vòi phun có thể điều chỉnh độ dài.
- Nắp rơi êm, hạn chế tiếng ồn.
- Tích hợp hệ thống quạt gió với màng lọc carbon hoạt tính khử sạch mùi
- Sau khi rửa được sấy khô bằng gió ấm
- Tính năng sưởi ấm bệ ngồi.
- Hệ thống bảng điều khiển không dây tiện lợi
- Tự động rửa vòi phun bằng nước nóng trước và sau khi sử dụng
- Nắp và bệ ngồi sử dụng vật liệu kháng khuẩn
- Nắp bệt dễ dàng tháo rời lắp đặt.
- Tiết kiệm điện năng .
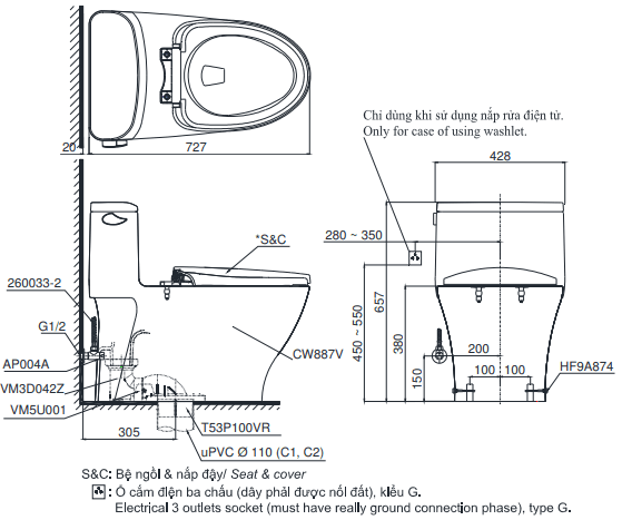
Bản vẽ kích thước TOTO MS887W6 (MS887RW6) – Bồn cầu 1 khối nắp Rửa Điện Tử TCF6531Z

Hình ảnh, video thực tế TOTO MS887W6 (MS887RW6) – Bồn cầu 1 khối nắp Rửa Điện Tử TCF6531Z
Đang cập nhật…














1 đánh giá cho TOTO MS887W6 (MS887RW6) – Bồn cầu thông minh nắp rửa điện tử TCF6531Z
Chưa có đánh giá nào.