Tính năng TOTO CW812RA WH037D-162B MB005DG – Bồn cầu treo tường nắp êm
Tính năng TOTO CW812RA – Thân bồn cầu treo tường
- Thiết kế hài hòa ,hiện đại.
- CEFIONTECT: Công nghệ tráng men siêu mịn.
- RIMLESS: thiết kế lòng bồn cầu không góc khuất
- TORNADO: tính năng xả xoáy 360 độ kết hợp với lớp men cefiontect.
- WATER-SAVING: siêu tiết kiệm nước với 1 chế độ xả
Đang cập nhật…
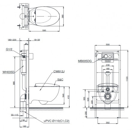
Bản vẽ kích thước TOTO CW812RA WH037D-162B MB005DG – Bồn cầu treo tường nắp êm

Hình ảnh, video thực tế TOTO CW812RA WH037D-162B MB005DG – Bồn cầu treo tường nắp êm
Đang cập nhật…













1 đánh giá cho TOTO CW812RA WH037D-162B MB005DG – Bồn cầu treo tường nắp êm
Chưa có đánh giá nào.