Tính năng TOTO CW542HME5UNW1 TCF802C2Z WH172AAT – Bồn cầu treo tường nắp Rửa Điện Tử
- Bồn cầu thiết kế dạng treo két nước âm tường, ít góc khuất.
- Nắp rơi siêu êm giúp giảm tiếng ồn.
- EWATER+: dùng nước điện phân vệ sinh lòng bồn cầu và vòi rửa.
- TORNADO FLUSH: Xả xoáy Tornado tăng cường siêu mạnh.
- CEFIONTECT: công nghệ phủ men sứ siêu mịn.
- RIMLESS: Thiết kế lòng bồn cầu không vành khuất dễ dàng vệ sinh chùi rửa
- PREMIST: Tính năng phun sương trong lòng bồn cầu.
- SELF-CEALNING WAND: tự động làm sạch vòi rửa bằng nước điện phân Ewater+
- Antibacterial Feature: bệ ngồi, vòi rửa, thân bồn cầu sử dụng vật liệu/tráng men kháng khuẩn
- AIR-IN WONDER WAVE: công nghệ trộn bọt khí vào nước tiết kiệm nước.
- Tích hợp các chế độ rửa: rửa sau, rửa sau nhẹ, rửa trước, rửa trước trải rộng, rửa massage.
- Đầu vòi rửa có thể điều chỉnh (dài/ngắn)
- AUTO OPEN CLOSE LID: nắp bệt tự động đóng mở khi phát hiện chuyển động
- AUTO FLUSH: tự động xả sau khi sử dụng
- HEATED SEAT: Tự động sưởi ấm bệ ngồi.
- DRYER: sấy khô bằng khí ấm
- DEODORIZER: khử mùi bằng quạt hút và màng lọc than hoạt tính.
- SOFT LIGHT: cảm ứng bật ánh sáng dịu nhẹ khi phát hiện chuyển động.
- WATER SAVING, ENERGY SAVER: tiết kiệm điện và nước .
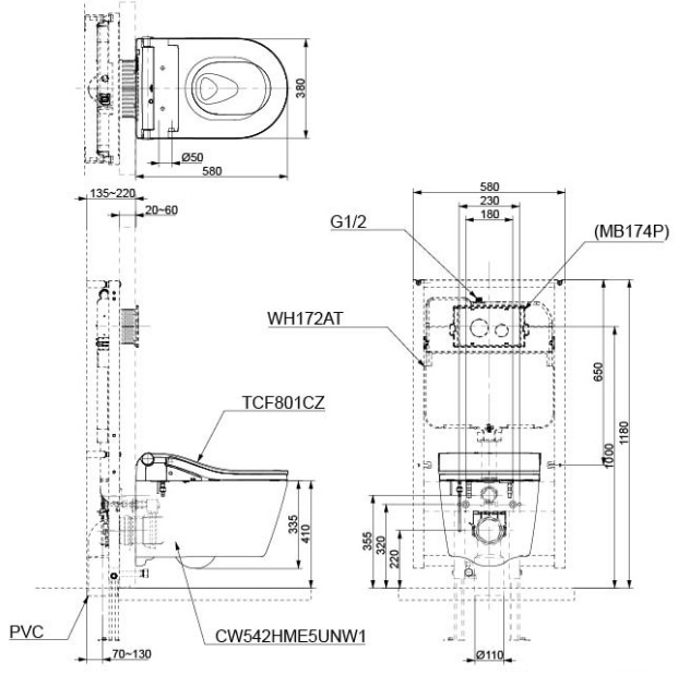
Bản vẽ kích thước TOTO CW542HME5UNW1 TCF802C2Z WH172AAT – Bồn cầu treo tường nắp Rửa Điện Tử

Hình ảnh, video thực tế TOTO CW542HME5UNW1 TCF802C2Z WH172AAT – Bồn cầu treo tường nắp Rửa Điện Tử
Đang cập nhật…













1 đánh giá cho TOTO CW542HME5UNW1 TCF802C2Z WH172AAT – Bồn cầu thông minh nắp rửa điện tử
Chưa có đánh giá nào.