Tính năng TOTO CS819DST2 – Bồn cầu 2 khối nắp êm TC393VS
Tính năng TOTO CS819DST2 – Thân bồn cầu 2 khối
- Thiết kế hiện đại ,trang nhã và sang trọng.
- Nắp rơi êm, hạn chế tiếng ồn
- CEFIONTECT: Bồn cầu được tráng men siêu mịn chống bám bẩn.
- Hệ thống xả Siphon 2 chế độ nhấn.
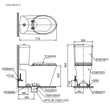
Bản vẽ kích thước TOTO CS819DST2 – Bồn cầu 2 khối nắp êm TC393VS

Hình ảnh, video thực tế TOTO CS819DST2 – Bồn cầu 2 khối nắp êm TC393VS
Đang cập nhật…













1 đánh giá cho TOTO CS819DST2 – Bồn cầu 2 khối nắp êm TC393VS
Chưa có đánh giá nào.