Tính năng INAX AL-536V – Chậu rửa mặt lavabo đặt bàn
- Chậu lavabo dạng đặt bàn sang trọng, hiện đại
- Chất liệu sứ vệ sinh cao cấp chống nứt vỡ, ăn mòn
- Aqua Ceramic: Công nghệ tráng men Aqua Ceramic chống bẩn, vệ sinh dễ dàng.
- Tích hợp lỗ xã tràn trên chậu.
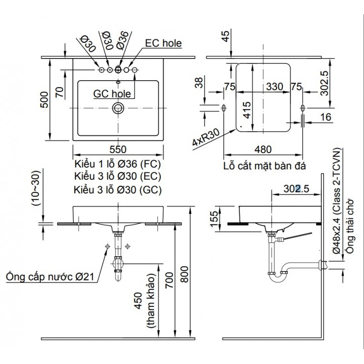
Bản vẽ kích thước INAX AL-536V – Chậu rửa mặt lavabo đặt bàn

Hình ảnh, video thực tế INAX AL-536V – Chậu rửa mặt lavabo đặt bàn
Đang cập nhật…













1 đánh giá cho INAX AL-536V – Chậu lavabo đặt bàn
Chưa có đánh giá nào.