Tính năng CAESAR LF5017 – Chậu rửa mặt lavabo đặt bàn
- Chậu lavabo thiết kế kiểu dương vành đặt bàn hiện đại.
- FINE FIRECLAY : Công nghệ sản xuất sứ chịu nhiệt của Châu Âu
- Chậu được phủ lớp men NANO trên bề mặt siêu mịn chống bám dính.
- Tích hợp lỗ xả tràn tiện lợi
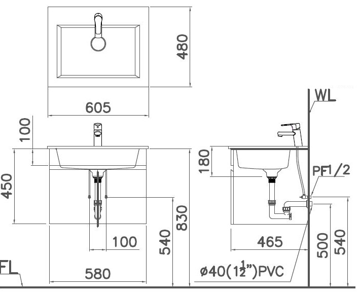
Bản vẽ kích thước CAESAR LF5017 – Chậu rửa mặt lavabo đặt bàn














1 đánh giá cho CAESAR LF5017 – Chậu lavabo dương vành
Chưa có đánh giá nào.